螺杆空压机购买后,需面临一个头疼的问题,该如何来安装。
其实当您已经购买了空压机专业人员安装或者公司内部人员安装时,需要注意以下几点注意事项及安装要求:
要求一:
1. 须宽阔采光良好的场所,以利操作与检修;
2. 空气之相对湿度宜低,灰尘少,空气清净且通风良好;

二、配管,基础及冷却系统注意事项
1、空气管路之配管注意事项
① 主管路配管时,管路须有1°~2°之倾斜度,以利管路中的冷凝水排出。配管管路之压力降不得超过压缩机设定压力之5%,故配管时最好选用较大的管径。
② 支线管路必须从主管路的顶端接出,避免主管路中的凝结水下流至工作机器中,压缩机空气出口管路最好应有单向阀。
③ 几台压缩机串联安装,应在主管路末端加装球阀或自动排水阀,以利于冷凝排放。
④ 主管路不要任意缩小,如果必须缩小或放大管路时须使用渐缩管,否则在接头处会有混流情况发生,导致大的压力损失,也影响管路的使用寿命。
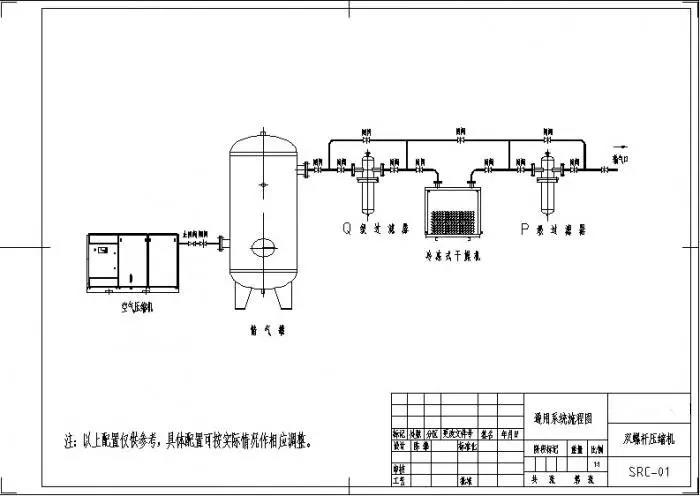
⑤ 压缩机之后如果有储气罐及干燥器等缓冲净化设施,理想之配管应是压缩机+气水分离器+储气罐+前过滤器+干燥机+后过滤器+精过滤器。如此储气罐可将部分的冷凝水滤除,同时储气罐亦有降低压缩空气温度之功能。较低温度且含水量较少之空气再进入干燥机,可减轻干燥机或过滤器之负荷。

2、基础
① 基础应建立在硬质的地坪上,在安装前须将基础平面整水平,以避免压缩机产生震动而引起噪音。
② 压缩机如安装在楼上,须做好防振处理,以防止振动传至楼下,或产生共振,对压缩机及大楼本身均有安全上的隐患。
③ 螺杆式压缩机所产生的震动较小,故不需做固定基础。但其所放置之地面须平坦,且地下不可为软性土壤。压缩机底部最好铺上5-10mm的软垫或防震垫,以防止震动及噪音。
④ 当您选用风冷式压缩机时,要考虑其通风环境。不得将压缩机安放在高温设备附近,以避免压缩机吸入高温大气导致排气温度过高而影响机组的正常运行。
⑤ 当使用条件限制压缩机安装在较小的密闭空间内时,须加装抽、 排风设备,以便空气流通循环,其抽、排风设备的能力须大于压缩机冷却风扇的排风量,而且抽风口位置要适合压缩机热排风出口位置。
3.冷却系统
① 环境温度须低于40℃,因环境温度越高,则压缩机之输出空气量愈少;
② 如果工厂环境较差,灰尘多,须加装前置过滤设备;
③ 预留通路,具备条件者可装设天车,以利维修保养;
④ 预留保养空间,压缩机与墙之间至少须应有70公分以上距离;
⑤空压机离顶端空间距离至少一米以上;
⑥ 对风冷机组,建议安装导风管将冷却热风导出室外:
⑦对水冷机组,冷却水供水压力应为0.2-0.6MPa,进出口均应装阀门;如果冷却水可能有杂物,应加装过滤器。

对冷却水的水质要求如下:
① 冷却水应接近中性,即氢离子浓度PH值应在6.5-9.5之间;
② 有机物质和悬浮机械杂质均小于25毫克/升,含油量少于5毫克/升;
③ 暂时硬度小于或等于10°(硬度1°相当于1升水中含有10毫克CaO或7.19毫克MgO)。
④ 若系统之空气用量很大且时间很短,瞬时用气量很大,宜加装一储气罐作为缓冲之用(其容量应大于或等于最大瞬时气量的20%), 这样可以减少压缩机组频繁加载卸荷的次数,减少控制元件动作次数,对保持压缩机的运行可靠性有很大的益处。一般情况下,可选择容量为排气量20%的储气罐。
⑤ 系统压力在1.5MPa以下的压缩空气,其输送管内之流速须在15m/sec以下,以避免过大的压力降。
⑥ 管路中尽量减少使用弯头及各类阀门,以减少压力损失。
⑦ 理想的配管是主管线环绕整个厂房,如此在任何位置均可获得双方面的压缩空气。如在某支线用气量突然大增时,可以减少压力降。且在环状主干线上配置适当之阀门,以便检修切断之用。
服务热线:

